250,000,000 Ft
634,000 €
- 380m²
- 7 Rooms
Megvételre kínálok egy csodálatos, panorámás, 2002-ban épült családi házat , csendes utcában, Szombathely mellett SÉ-ben .
TELEK:
-1100m2
- panorámás
- saroktelek
- parkosított
- örökzöldek körben
- rendezett-gondozott
- öntözőberendezés kiépítve
- körbe kerített
- díszburkolat a garázs és a ház között
CSALÁDIHÁZ:
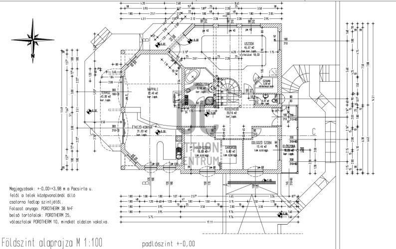
-2002-ben épült egyedi elképzelés alapján, belső építész segítségével
- igényes, élhető, tágas terek jellemzik az egész házat
- DK-i fekvésű
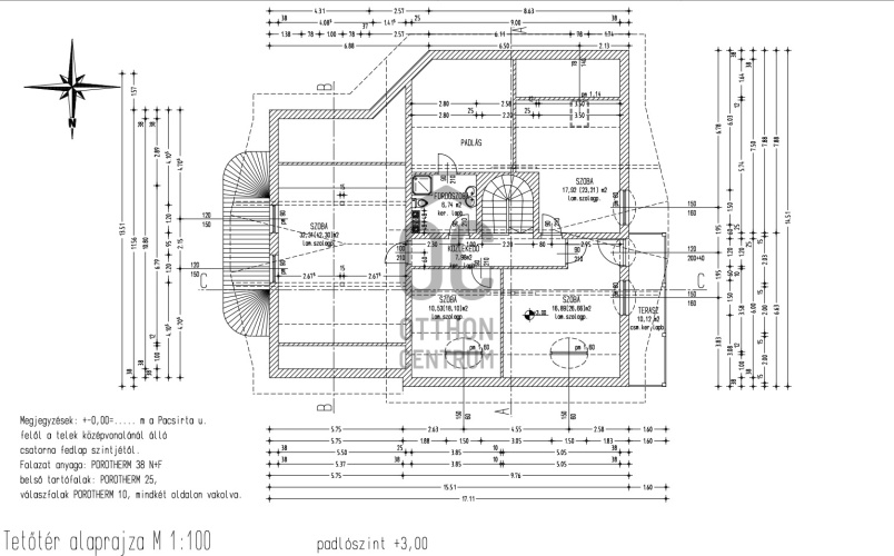
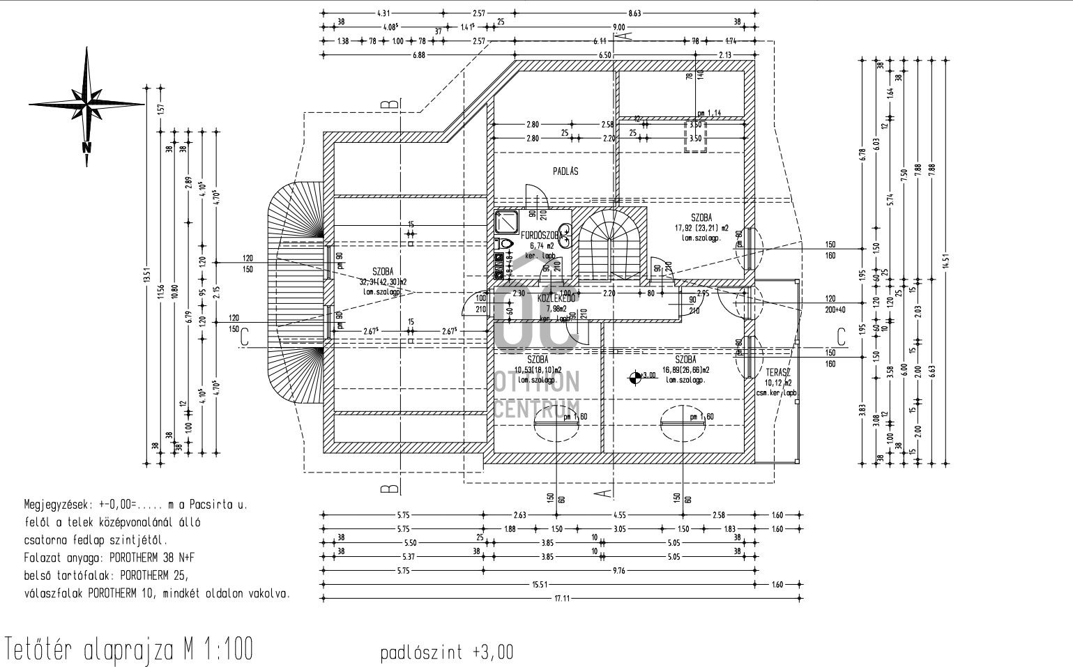
- családi ház három szinten 380nm
- amerikai konyhás nappali + 5 szobából áll ( ebből az egyik jelenleg irodának van használva )
- 2 fürdőszoba
- külön vendég WC
- gardróbszoba
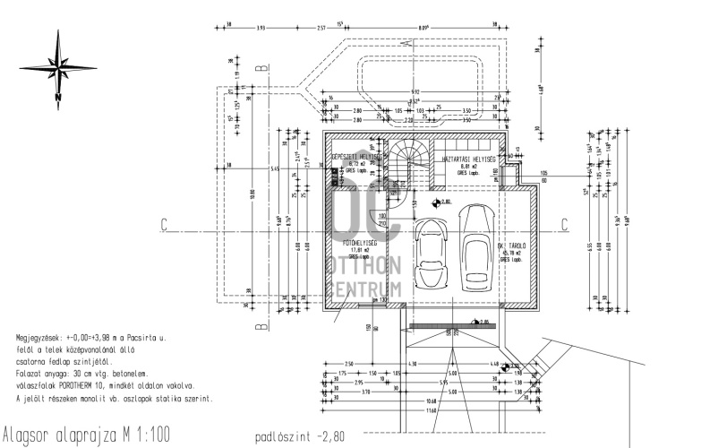
- háztartási helyiség
- tágas előszoba
- beépített padlás
- 2db autóbeálló a garázsban, a garázs előtt még egy autónak beállási lehetőség biztosított
- elektromos kapu
- parkosított udvar
- részben fedett terasz (45m2, térkövezett)
- jó minőségű konyhabútor (beépített gépekkel)
- padlófűtés + radiátoros fűtés
- nappaliban kandalló
- a házban több fűtési lehetőség: elektromos kazánnal és gáz cirkóval megoldott
- hűtő- fűtő klíma a nappaliban
- emeleten 2 db hűtő klíma lett beszerelve
- megújuló energia: napelem 10KWp
- tetőtéri ablakok Velux márkájúak
- nyílászárók műanyagok, teraszajtó tolóajtós
- nappaliban a teraszon elektromos redőny,
- szobákban reluxa
- tégla építésű
- 10 cm homlokzat szigetelés
- terasz alatt tároló lett kialakítva a kerti szerszámoknak, a kertben lévő nyári bútoroknak
- USZODA szaunával
- medence mélysége 140-150cm, víz forgatóval, ellenáramoltatóval, víz melegítéssel
- medencén takarófólia
- medence tér világos, körbe ablakokkal, szalagfüggönnyel.
- Az ablakok kialakítása szellőztetővel megoldott
- kertkapcsolatos
SÉ településen óvoda
Iskola Szombathelyen és Torony településen
KERÉKPÁR ÚT Szombathelyig kiépítve, természetközeli, zöld környezetben KB 10 PERC TÁVOLSÁGBAN
Sport létesítmények, fedett teniszpálya, uszoda, csónakázó tó 8-10 perces távolságban.
Ausztriai kishatár ( Bucsu) kb. 8 km-re
TELEK:
-1100m2
- panorámás
- saroktelek
- parkosított
- örökzöldek körben
- rendezett-gondozott
- öntözőberendezés kiépítve
- körbe kerített
- díszburkolat a garázs és a ház között
CSALÁDIHÁZ:
-2002-ben épült egyedi elképzelés alapján, belső építész segítségével
- igényes, élhető, tágas terek jellemzik az egész házat
- DK-i fekvésű
- családi ház három szinten 380nm
- amerikai konyhás nappali + 5 szobából áll ( ebből az egyik jelenleg irodának van használva )
- 2 fürdőszoba
- külön vendég WC
- gardróbszoba
- háztartási helyiség
- tágas előszoba
- beépített padlás
- 2db autóbeálló a garázsban, a garázs előtt még egy autónak beállási lehetőség biztosított
- elektromos kapu
- parkosított udvar
- részben fedett terasz (45m2, térkövezett)
- jó minőségű konyhabútor (beépített gépekkel)
- padlófűtés + radiátoros fűtés
- nappaliban kandalló
- a házban több fűtési lehetőség: elektromos kazánnal és gáz cirkóval megoldott
- hűtő- fűtő klíma a nappaliban
- emeleten 2 db hűtő klíma lett beszerelve
- megújuló energia: napelem 10KWp
- tetőtéri ablakok Velux márkájúak
- nyílászárók műanyagok, teraszajtó tolóajtós
- nappaliban a teraszon elektromos redőny,
- szobákban reluxa
- tégla építésű
- 10 cm homlokzat szigetelés
- terasz alatt tároló lett kialakítva a kerti szerszámoknak, a kertben lévő nyári bútoroknak
- USZODA szaunával
- medence mélysége 140-150cm, víz forgatóval, ellenáramoltatóval, víz melegítéssel
- medencén takarófólia
- medence tér világos, körbe ablakokkal, szalagfüggönnyel.
- Az ablakok kialakítása szellőztetővel megoldott
- kertkapcsolatos
SÉ településen óvoda
Iskola Szombathelyen és Torony településen
KERÉKPÁR ÚT Szombathelyig kiépítve, természetközeli, zöld környezetben KB 10 PERC TÁVOLSÁGBAN
Sport létesítmények, fedett teniszpálya, uszoda, csónakázó tó 8-10 perces távolságban.
Ausztriai kishatár ( Bucsu) kb. 8 km-re
Registration Number
H514196
Property Details
Sales
for sale
Legal Status
used
Character
house
Construction Method
brick
Net Size
380 m²
Gross Size
380 m²
Plot Size
1,100 m²
Size of Terrace / Balcony
52.1 m²
Garden Size
1,100 m²
Heating
Gas circulator
Ceiling Height
265 cm
Number of Levels Within the Property
3
Orientation
South-East
View
Green view
Condition
Excellent
Condition of Facade
Good
Basement
Independent
Neighborhood
quiet, good transport, green
Year of Construction
2002
Number of Bathrooms
2
Condominium Garden
yes
Garage
Included in the price
Garage Spaces
2
Water
Available
Gas
Available
Electricity
Available
Sewer
Available
Storage
Mandatory to buy
Rooms
boiler room
17.61 m²
garage
45.78 m²
utility room
8.81 m²
other room
6.72 m²
staircase
5 m²
corridor
23.15 m²
entryway
13 m²
study
12.45 m²
bedroom
13.63 m²
wardrobe
5.8 m²
pool area
45.57 m²
sauna
3.03 m²
toilet-washbasin
2.31 m²
bathroom-toilet
9.5 m²
living room
32.4 m²
open-plan kitchen and dining room
21.03 m²
terrace
42 m²
room
16.89 m²
room
32.34 m²
room
10.53 m²
room
17.92 m²
bathroom-toilet
6.74 m²
attic
25 m²
balcony
10.12 m²
corridor
7.98 m²
Korcsog Melinda
Credit Expert